Actuador de vàlvules elèctriques intel·ligents fina

Visió de conjunt
Actuadors elèctrics de sèries fregides s’utilitzen per controlar les vàlvules amb rotació de 0-90 graus i altres productes similars, com ara vàlvules de papallona, vàlvules de bola, vàlvules de tap, vàlvules d’obturador, etc. Per aconseguir un control automàtic, amb un parell màxim de sortida de 2000nm. Es pot utilitzar àmpliament en els camps del petroli, la potència química, la metal·lúrgia, el tractament de l’aigua de paper, els vaixells, el processament d’aliments i l’automatització d’edificis. També té molts avantatges, com ara la mida petita i el pes lleuger, un aspecte bonic, una estructura única, obertura i tancament compactes, instal·lació ràpida, fàcil, petit parell de funcionament, funcionament fàcil, sense manteniment, ús segur i convenient, etc.
RealitzacióCaracterístiques dels actuadors elèctrics
• Shell: La closca està feta d’aliatge d’alumini dur, anoditzat i polièster recobert de pols, amb una forta resistència a la corrosió i protecció IP67.
• Motor: Motor de gàbia d’esquirol completament tancat, mida petita, parell elevat, força d’inèrcia petita, grau d’aïllament F, que pot evitar el sobreescalfament i danys al motor.
• Estructura manual: El disseny del mànec garanteix la seguretat, la fiabilitat, l’estalvi laboral i la mida petita. Quan no hi ha potència, el mànec es pot convertir en funcionament manual. Si no s’utilitzi, poseu la clau a la pinça de la clau per a un fàcil ús.
• Indicador: l’indicador s’instal·la a l’eix central per observar la posició de la vàlvula. La lent adopta un disseny de miralls convex, que impedeix l’acumulació d’aigua i fa que l’observació sigui més convenient.
• Segellat: bon segellat, el grau de protecció estàndard és IP67.
• Interruptor de límit: límit mecànic i electrònic. El cargol límit mecànic és regulable, segur i fiable; L’interruptor de límit electrònic està controlat per un mecanisme de CAM i el mecanisme d’ajustament senzill pot establir amb precisió i convenient la posició sense haver estat afectat per la roda de mà excessiva.
• Self - Bloqueig: el mecanisme d'engranatge de cuc precís pot transmetre de manera eficient un parell gran, amb alta eficiència, soroll baix (max . 50 dB) i llarga vida. Té una funció de bloqueig de si mateix - per evitar la reversió, i la part de transmissió és estable i fiable, sense necessitat de subministrar -se.
Estructura del producte

1. VOLUM Petit
El volum és només el 35% dels productes similars.
2. Protecció múltiple
Límit elèctric, límit mecànic, protecció sobre escalfament, protecció de deshumidificació.
3. Precisió i desgast - engranatge de cuc resistent
L’engranatge de cuc i el cuc es combinen perfectament i s’uneixen de forma harmònica. La integració de la sortida d’engranatges de cuc redueix efectivament la bretxa de connexió i millora molt la precisió de la transmissió.
4. Motor
Va passar la prova de tensió AC1500V, la classe H - Motor altament aïllat per assegurar la seguretat del cos i la producció. El mànec manual de funcionament no és fàcil de perdre. Col·loqueu una pinça de mànec al cargol límit mecànic per fer que la clau hexagonal sigui menys probable que es perdi al camp.
5. Placa de connexió
La placa de muntatge ISO5211 és més estàndard i més senzilla per connectar -se a la vàlvula. El muntatge amb la vàlvula és més convenient i fiable. La tija de la vàlvula s’insereix directament a l’engranatge de cuc dins de l’actuador, fent que la força es produeixi entre la vàlvula i l’eix de sortida més curt i la força de sortida més estable.
6. Indicador de posició
Utilitzant la tecnologia de sinterització de lents de vidre de força alta -, la finestra de visualització és més bonica i suau.
7. Protecció de les closques
El grau de protecció IP67, que soluciona els problemes tossuts de baix grau de protecció i un mal rendiment dels productes de prova tradicionals d'explosió -.
Paràmetres i funcions
|
Grau de protecció |
IP65/IP67 estàndard IP67 IP68 |
|
Alimentació |
Three - fase ac380v - --460V 50/60Hz monofàsica: AC110V-AC220V DC24V AC24V 50/60Hz |
|
Motor |
Motor d'inducció de gàbia d'esquirol |
|
Entrada per cable |
Configuració estàndard: 1xm18 Explosion - Proof 2 - m20*15 Plug a prova d'explosió (que s'implementarà) Quan s'utilitza, l'usuari ha d'instal·lar l'explosió corresponent - prova de cable Segons el cable seleccionat. |
|
Interruptors de límit |
2x (obert)/(tancament) SPDT, 250V AC10A |
|
Interruptor de límit auxiliar |
2x (obert)/(tancament) SPDT, 250V AC10A |
|
Protecció de confitura |
Build - a la protecció contra el sobreescalfament |
|
Angle de viatge |
90 graus |
|
Indicador de posició |
Indicador mecànic continu amb fletxa |
|
Bloqueig propi |
Proporcionat per l’engranatge de doble cuc (sense fre) |
|
Límit mecànic |
2 cargols d’ajust extern |
|
Temperatura ambient |
Estàndard: -20-+60 grau Tipus de temperatura baixa opcional: -60+70 grau (construït - en el deshumidificador de calefacció 7-10W 110V /220Vac) |
|
Humitat ambiental |
90%rh max (no - condensació) |
|
Explosió - grau de prova |
Exd iict4 IECEX ATEX Certificació personalitzada disponible |
Paràmetres i dimensions tècniques
Frey05

|
Voltatge Realització |
Dc24v |
AC24V |
AC110V |
AC220V |
AC380V |
|
Potència del motor |
13W |
15W |
15W |
15W |
15W |
|
Corrent nominal |
1.28A |
1.05A |
0.24A |
0.15A |
0.07A |
|
Parell de sortida |
20nm/50nm |
50nm |
50nm |
50nm |
50nm |
|
Temps de viatge |
5S/8S |
26S |
26S |
26S |
26S |
|
Angle de rotació |
0 grau -90 graus ± 5 graus |
0 grau -90 graus ± 5 |
0 grau -90 graus ± 5 |
0 grau -90 graus ± 5 |
0 grau -90 graus ± 5 |
|
Circuit de control |
A - OFF Type/Tipus de contacte passiu/Senyal d'obertura Tipus/Tipus de modulació intel·ligent |
||||
|
Pes total |
3kg |
||||
|
Resistència a l’aïllament |
100mΩ/250VDC |
100mΩ/500VDC |
|||
|
Resistir el grau de tensió |
500Vac/1min |
500Vac/1min |
1500Vac/1min |
1500Vac/1min |
1800Vac/1min |
|
Grau de protecció |
IP67 |
||||
|
Direcció d'instal·lació |
Instal·lació en qualsevol angle |
||||
|
Interfície elèctrica |
PG13.5 Connector de cable impermeable de niló |
||||
|
Temperatura ambient |
-30 graus -+60 grau |
||||
Fry10/16

|
Voltatge Realització |
Dc24v |
AC24V |
AC110V |
AC220V |
AC380V |
|
Potència del motor |
25W |
30W |
30W |
30W |
30W |
|
Corrent nominal |
2.03A |
2.12A |
0.57A |
0.30A |
0.10A |
|
Parell de sortida |
100nm |
100nm/160nm |
|||
|
Temps de viatge |
10S/20S |
30S/60S |
|||
|
Angle de rotació |
0 grau -90 graus ± 5 graus |
0 grau -90 graus ± 5 |
0 grau -90 graus ± 5 |
0 grau -90 graus ± 5 |
0 grau -90 graus ± 5 |
|
Circuit de control |
A - OFF Type/Tipus de contacte passiu/Senyal d'obertura Tipus/Tipus de modulació intel·ligent |
||||
|
Pes total |
4kg |
||||
|
Resistència a l’aïllament |
100mΩ/250VDC |
100mΩ/500VDC |
|||
|
Resistir el grau de tensió |
500Vac/1min |
500Vac/1min |
1500Vac/1min |
1500Vac/1min |
1800Vac/1min |
|
Grau de protecció |
IP67 |
||||
|
Direcció d'instal·lació |
Instal·lació en qualsevol angle |
||||
|
Interfície elèctrica |
PG13.5 Connector de cable impermeable de niló |
||||
|
Temperatura ambient |
-30 graus -+60 grau |
||||
Fry25/50

|
Voltatge Realització |
Dc24v |
AC220V |
AC380V |
Dc24v |
AC220V |
AC380V |
|
|
Potència del motor |
50W |
60W |
40W |
70W |
90W |
90W |
|
|
Corrent nominal |
3.57A |
0.80A |
0.29A |
5.1A |
1.00A |
0.35A |
|
|
Parell de sortida |
250nm |
250nm |
250nm |
500nm |
500nm |
500nm |
|
|
Temps de viatge |
30S |
||||||
|
Angle de rotació |
0 grau -90 graus ± 5 graus |
0 grau -90 graus ± 5 |
0 grau -90 graus ± 5 |
0 grau -90 graus ± 5 |
0 grau -90 graus ± 5 |
0 grau -90 graus ± 5 |
|
|
Circuit de control |
A - OFF Type/Tipus de contacte passiu/Senyal d'obertura Tipus/Tipus de modulació intel·ligent |
||||||
|
Pes total |
6.8kg |
6.8kg |
6.8kg |
8kg |
8kg |
8kg |
|
|
Resistència a l’aïllament |
DC24: 100mΩ/250VDC AC220/AC380: 100mΩ/500VDC |
||||||
|
Resistir el grau de tensió |
DC24: 500VAC/1min AC220: 1500Vac/1min AC380: 1800Vac/1min |
||||||
|
Grau de protecció |
IP67 |
||||||
|
Direcció d'instal·lació |
Instal·lació en qualsevol angle |
||||||
|
Interfície elèctrica |
PG13.5 Connector de cable impermeable de niló |
||||||
|
Temperatura ambient |
-30 graus -+60 grau |
||||||
Fry100/Fry200

|
Voltatge Realització |
AC220V |
AC380V |
AC220V |
AC380V |
|
Potència del motor |
120W |
90W |
140W |
90W |
|
Corrent nominal |
1.20A |
0.44A |
1.20A |
0.48A |
|
Parell de sortida |
1000nm |
1000nm |
2000nm |
2000nm |
|
Temps de viatge |
60S |
60S |
100S |
100S |
|
Angle de rotació |
0 grau -90 graus ± 5 |
0 grau -90 graus ± 5 |
0 grau -90 graus ± 5 |
0 grau -90 graus ± 5 |
|
Circuit de control |
A - OFF Tipus/Tipus de contacte passiu/Senyal d'obertura Tipus/Tipus de modulació intel·ligent |
|||
|
Pes total |
12kg |
|||
|
Resistència a l’aïllament |
AC220/AC380: 100mΩ/500VDC |
|||
|
Resistir el grau de tensió |
AC380: 1800VAC/1 min |
|||
|
Grau de protecció |
IP67 |
|||
|
Direcció d'instal·lació |
Instal·lació en qualsevol angle |
|||
|
Interfície elèctrica |
PG13.5 Connector de cable impermeable de niló |
|||
|
Temperatura ambient |
-30 graus -+60 grau |
|||
Parts mecàniques

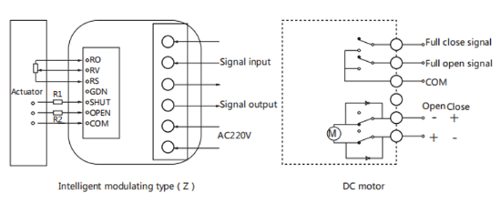
Diagrama de cablejat


Aplicacions de camp


Gamma d'aplicacions

La nostra fàbrica

Etiquetes populars: Indústria marina de la construcció naval Motoritzada a 24V, Xina, fabricants, proveïdors, fàbrica, compra, preu, pressupost
