Actuador de vàlvules elèctriques

Característiques del producte
• Els actuadors de vàlvula elèctrica de tipus Q són adequats per a vàlvules de papallona, vàlvules de bola, etc, que es requereixen per complir els 90 graus. Aquests actuadors es presenten per mida petita, pes lleuger, alta eficiència, alta fiabilitat, alta capacitat de protecció, baix soroll, etc. Es pot dur a terme tant l’operació al lloc com el control remot. Així que s’han aplicat a les indústries de petroli i química, central elèctrica, tractament de l’aigua i paper - fent indústries.
• Freya controla dissenys, produeix i proporciona actuadors i serveis d’alta- de qualitat relacionats amb l’automatització de vàlvules.
• Amb els nostres anys d’experiència en el camp de l’automatització, hem llançat la sèrie Q d’actuadors elèctrics, compactes, robustes, fiables i es poden integrar totalment en sistemes de control complexos.
• Sempre estem preparats per proporcionar -vos els nostres actuadors i accessoris de la sèrie Q, així com serveis de qualitat.
• Construcció compacta i robusta, lleugera.
• àmplia gamma de variacions de parell (de 50nm mínim a 5000nm màxim).
• Carcassa d’alumini anoditzat dur dins i fora amb revestiment extern de pintura a alta temperatura per utilitzar -lo contra un entorn industrial greu.
• El recinte utilitza segells radials & O - que proporcionen protecció a IP67 impermeable i opcional LP68.
• estàndard LSO5211.
• Bash de tracció extraïble per a un mecanitzat i un muntatge fàcil.
• Self - Bloqueig proporcionat per l’engranatge de doble cuc (no cal el fre).
• Identifica i corregeix automàticament les fases. La protecció automàtica de falles de fase protegeix la seguretat dels equips.
• Sistema de detecció mecànica fiable que proporciona un funcionament segur en condicions de sobrecàrrega.
• La finestra i l’indicador de gran mida proporcionen una millor indicació de posició des de la distància.
• Nombre d’opcions de control de posició local per proporcionar un servei fàcil i un funcionament de camp.
Estructura del producte


1 Unitat de control integrada Non - S'adopta el botó de commutació SUNK per assegurar una funció completa impermeable. La placa de circuit construïda - té un aïllament de potència fiable dels senyals d'interferència externes mitjançant elements d'aïllament òptic. Si hi ha una inducció de commutador de parell Over -, per a la seguretat del motor i la vàlvula, l'actuador es negarà a ser detectat per altres sensors abans que l'operador introdueixi la posició d'inici (restablir).
2 Selecció del mode de control
El commutador selectiu "Remote" - "STOP" - "local" instal·lat al dispositiu de funcionament local es pot utilitzar per configurar l'operació remota (control remot) o l'operació local (control local) o el mode STOP.
3 Operació elèctrica local
El commutador de funcionament "Obrir" - "tancar" instal·lat al dispositiu de funcionament local es pot utilitzar per obrir o tancar l'actuador localment.
4 Motor
El motor específic de la vàlvula - que es pot desmuntar té de forma independent les característiques del parell inicial i la inèrcia petita. El motor d’inducció de la gàbia d’esquirol amb termòstat incrustat. El construït - al termòstat detecta amb precisió la temperatura augmentada per evitar que el motor sigui danyat.
5 Funcionament elèctric
El motor condueix el cuc elèctric a través d’un primer parell d’impulsió - i el cuc condueix l’eix excèntric per girar a través de l’engranatge de cuc de coure combinat amb ell. Aquesta estructura d’engranatges de reducció té un rendiment de bloqueig de si mateix - Quan el motor s’atura, la vàlvula es bloquejarà en posició.
6 Control de traç, control de parell i mecanisme indicador
Control de traç Es adopta un mecanisme de CAM, l’eix de la CAM es sincronitza amb l’eix de sortida i dos commutadors micro es posen respectivament en les direccions d’obertura i tancament. L’extrem superior de l’eix de la CAM està equipat amb un dial per indicar la posició de la vàlvula. Control de parell El cuc elèctric està equipat amb un grup de molla de papallona, el moviment axial del cuc elèctric és proporcional al parell de sortida de l’eix de sortida, i el moviment del cuc es converteix en la rotació de l’eix de parell a través de la ruta i l’estructura de pinyons. S'instal·la una càmera a l'eix de parell i es proporciona un microswitch en la direcció d'obertura i tancament.
7 Funcionament manual
Quan es gira la roda de mà, el cuc manual condueix l’engranatge exterior de l’engranatge fixat per girar, i l’engranatge interior de l’engranatge de l’anell fix i l’engranatge planetari formen un tren fix - eix per conduir l’eix de sortida per girar. Per tant, la conversió manual i elèctrica dels actuadors es completa mitjançant la conversió de rol de l’engranatge estàtic. No hi ha cap embragatge i no cal canviar el mànec per aconseguir una commutació totalment automàtica.
8 caixa de terminal
La cavitat del terminal segellat independent pot assegurar la integritat de segellat de la part elèctrica de l’actuador elèctric quan es realitza en el cablejat del lloc - i, alhora
9 Límit mecànic
Hi ha un cargol límit ajustable en cada direcció d’obertura i tancament. S’instal·la una junta especial de segellat al cargol límit per assegurar un bon rendiment de segellat d’aquesta part.
Casos de camp


Accessoris de producte

Pantalla del producte

Especificacions estàndard
|
Grau de protecció |
IP65/IP67 estàndard IP67 IP68 |
|
Alimentació |
Three - fase ac380v - --460V 50/60Hz monofàsica: AC110V-AC220V DC24V AC24V 50/60Hz |
|
Cicle de treball (a - desactivat) |
10 minuts curts (comanda especial 30 minuts) |
|
Cicle de treball (modulació) |
10 minuts curts (comanda especial 30 minuts) |
|
Motor |
Motor d'inducció de gàbia d'esquirol |
|
Interruptors de límit |
2 cadascun per a l'obertura i tancar (SPDT 250VAC/16A) |
|
Interruptors de parell |
1 cadascun per a l'obertura i tancar (SPDT 250VAC/16A) |
|
Protecció de confitura |
Build - a la protecció contra el sobreescalfament |
|
Angle de viatge |
90 graus |
|
Indicador de posició |
Indicador mecànic continu amb fletxa |
|
Bloqueig propi |
Proporcionat per l’engranatge de doble cuc (sense fre) |
|
Tap mecànic |
1 cadascun per a cada extrem de viatge (obert i tancat), extern i regulable |
|
Temperatura ambient |
Estàndard: -20-+60 grau opcional: -40-+80 grau |
|
Humitat ambiental |
90%rh max (no - condensació) |
|
Explosió - grau de prova |
Es pot proporcionar una certificació personalitzada exdiibt4 iecex atEx |
|
Funcions |
Finestra de visualització xinesa / anglès LCD i funció de funcionament local Seqüència d’auto -fase Identificació i protecció de desconnexió de fase Configuració i control infrarojos Falla Self - Tecnologia de diagnòstic Modbus, Profidbus DP, Hart |
|
Senyal |
R: Contacte en sec a distància passiva remota, pols curt de senyal (polzada). B: Contacte en sec passiu remot, senyal llarg (retenció). C: Senyal actiu DC24V. D: Senyal actiu AC220V. E: Senyal remot DC4-20MA. |
|
Senyal de retroalimentació |
R: Obrir, tancar, aturar senyals (contacte sec en sec). B: Senyal de falla (contacte en sec passiu). C: Senyal de posició de la vàlvula (DC4-20MA, DC1-5V, DC0-10V) D: Senyal de control remot (contacte sec en sec) |
Dades tècniques
|
Model |
Parell (N·m) |
Màxim. tija diàmetre (mm) |
Manual proporció |
Producció velocitat (r/min) |
AC380V |
AC220V |
Pes Kg |
|||
|
Força (KW) |
Corrent (A) |
Força (KW) |
Corrent (A) |
Dirigir muntat |
Foot - Placa muntat |
|||||
|
Fry - q-005 |
50 |
19 |
60:1 |
0.5 |
0.045 |
0.35 |
0.06 |
0.7 |
8.5 |
16 |
|
Fry - q-010 |
100 |
19 |
60:1 |
0.5 |
0.06 |
0.5 |
0.09 |
1.0 |
9 |
17 |
|
Fry - q-015 |
100 |
28 |
90:1 |
0.5 |
0.06 |
0.5 |
0.09 |
1.0 |
17 |
25 |
|
Fry - q-020 |
200 |
28 |
90:1 |
0.5 |
0.09 |
0.7 |
0.12 |
1.5 |
17 |
25 |
|
Fry - q-030 |
300 |
28 |
90:1 |
0.5 |
0.12 |
0.8 |
0.15 |
2.0 |
17 |
25 |
|
Fry - q-040 |
400 |
28 |
90:1 |
0.5 |
0.15 |
0.9 |
0.18 |
2.5 |
18 |
26 |
|
Fry - q-060 |
600 |
38 |
87:1 |
0.5 |
0.18 |
1.0 |
0.25 |
3.0 |
25 |
41 |
|
Fry - q-090 |
900 |
38 |
87:1 |
0.5 |
0.25 |
1.5 |
0.37 |
4.0 |
26 |
50 |
|
Fry - q-120 |
1200 |
38 |
87:1 |
0.5 |
0.25 |
1.5 |
0.37 |
4.0 |
27 |
51 |
|
Fry - q-180 |
1800 |
38 |
87:1 |
0.5 |
0.37 |
2.0 |
0.55 |
5.0 |
28 |
67 |
|
Fry - q-300 |
3000 |
55 |
348:1 |
0.5 |
0.37 |
2.0 |
0.55 |
5.0 |
39 |
77 |
|
Fry - q-400 |
4000 |
55 |
348:1 |
0.5 |
0.55 |
3.0 |
0.75 |
7.0 |
40 |
78 |
|
Fry - q-500 |
5000 |
55 |
348:1 |
0.5 |
0.55 |
3.0 |
0.75 |
7.0 |
41 |
82 |
NOTA:
1. Sota la tensió nominal, la relació del corrent de melmelada amb el corrent nominal del motor és de 7, i la tolerància és +20% del valor garantit
2.
Dimensions

|
Model |
B1 |
B2 |
H |
H1 |
H2 |
L |
L1 |
D |
|
Fry - Q-005/015 |
68 |
114 |
156 |
270 |
73 |
250 |
157 |
140 |
|
Fry - Q-020/040 |
91 |
157 |
191 |
273 |
103 |
332 |
208 |
160 |
|
Fry - q-060/180 |
143 |
203 |
227 |
309 |
126 |
424 |
232 |
250 |
|
Fry - Q-300/800 |
143 |
203 |
291 |
373 |
190 |
424 |
232 |
250 |
Dimensions de la connexió

|
Model |
B1 |
B2 |
H |
H1 |
H2 |
L |
L1 |
D |
|
Fry - Q-005/015 |
68 |
114 |
156 |
270 |
73 |
250 |
157 |
140 |
|
Fry - Q-020/040 |
91 |
157 |
191 |
273 |
103 |
332 |
208 |
160 |
|
Fry - q-060/180 |
143 |
203 |
227 |
309 |
126 |
424 |
232 |
250 |
|
Fry - Q-300/800 |
143 |
203 |
291 |
373 |
190 |
424 |
232 |
250 |
Dimensions de la connexió

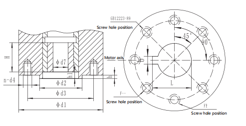
|
Model |
Model de brida |
d1 |
d2 |
d3 |
n-d4 |
D7 |
H |
h |
h1 |
||
|
Reservat |
Màxim. |
||||||||||
|
Fry - q-005 |
Fb1 |
77 |
57 |
4-M6 |
12.7 |
12.7 |
35 |
||||
|
Fry - q-010 |
Fb1 |
77 |
57 |
4-M6 |
15.9 |
15.9 |
35 |
3 |
2 |
||
|
F05 |
65 |
35 |
50 |
4-M6 |
8 |
18 |
35 |
||||
|
Fry - q-015 Fry - q-020 |
FB2 |
92 |
70 |
4-M8 |
19 |
19 |
42 |
||||
|
F07 |
90 |
55 |
70 |
4-M8 |
12 |
28 |
42 |
3 |
2 |
||
|
Fry - q-030 Fry - q-040 |
Fb3 |
115 |
89 |
4-M12 |
22.2 |
22.2 |
42 |
||||
|
F10 |
125 |
70 |
102 |
4-M10 |
12 |
28 |
42 |
3 |
2 |
||
|
Fry - q-060 |
Fb3 |
115 |
89 |
4-M12 |
28.6 |
28.6 |
50 |
||||
|
F10 |
125 |
70 |
102 |
4-M10 |
15 |
38 |
50 |
3 |
2 |
||
|
Fry - q-120 |
Fb4 |
140 |
108 |
4-M12 |
31.7 |
31.7 |
50 |
||||
|
F12 |
150 |
85 |
125 |
4-M12 |
15 |
38 |
50 |
3 |
2 |
||
|
Fry - q-120 Fry - q-180 |
Fb5 |
197 |
159 |
4-M16 |
33.3 |
33.3 |
60 |
||||
|
F14 |
175 |
100 |
140 |
4-M16 |
20 |
38 |
60 |
3 |
3 |
||
|
Fry - q-180 Fry - q-300 Fry - q-500 |
Fb5 |
197 |
159 |
4-M16 |
41.3 |
41.3 |
90 |
||||
|
F16 |
210 |
130 |
165 |
4-M20 |
20 |
60 |
90 |
3 |
3 |
||
Fàbrica

Etiquetes populars: Modulació Actuador de vàlvules elèctriques 2500nm S 2 30%, Xina, fabricants, proveïdors, fàbrica, compra, preu, pressupost
