Introducció al producte
L'eix de sortida de l'actuador elèctric de gir parcial fa una sortida rotativa inferior a 360° (el traç general és de 0 ° ~ 90 °). El costat de connexió de l’actuador elèctric de carrera d’angle té el tipus de connexió directa i el tipus de connexió de manovella base de dos tipus. El tipus de connexió directa s’utilitza principalment amb vàlvula de papallona, vàlvula de bola i vàlvula de gall, i el tipus de connexió de manovella base s’utilitza principalment amb vàlvula d’aire i deflector mitjançant connexió esfèrica i frontissa.
Els principals paràmetres tècnics de la selecció de l’actuador elèctric de carrera d’angle són: parell d’aparició (Nm) i velocitat de l’eix de sortida (rpm) o temps de recorregut complet.
La interfície mecànica de l’actuador de gir múltiple FRYQ (l’eix de sortida i la brida) s’ajusta a la norma nacional GB / T12223 i a la norma internacional ISO 5211, de manera que es pot aconseguir una connexió mecànica raonable amb diferents objectes controlats i es pot proporcionar un mode de connexió de brida especial segons segons els requisits de l'usuari

TI: actuador elèctric de torn parcial 100NM-500NM tipus
◆ Construcció resistent, amb doble segellat, i pot anti-aigua i pols (IP67 / IP68-2m, 48 hores) de manera efectiva quan es realitza la connexió.
◆ Unitat directa de quart de torn
◆ Actuador de subministrament elèctric trifàsic, monofàsic i de corrent continu
◆ Pantalla de visualització de text en diversos idiomes que mostra l'estat i la configuració
◆ Com a mecanisme integrat de gravació de dades de la funció estàndard
◆ Compatible amb l'estàndard IrDATM. Feu l'anàlisi local i remota de l'actuador a través del programari insight PC.
◆ Funcions concises, fàcils de controlar i d’indicació
◆ Control simple de parell i posició, millorant la fiabilitat
◆ Flexibilitat del control i la indicació completa
◆ Especificació opcional del tipus de prova d'aigua i explosió
◆ Rang de sortida de parell directe 50Nm (37 Ibf peus) —500Nm (370 Ibf peus)
TI: tipus d’actuador elèctric de torn parcial 1000NM-2000NM
◆ Construcció resistent, amb doble segellat, i pot anti-aigua i pols (IP67 / IP68-2m, 48 hores) de manera efectiva quan es realitza la connexió.
◆ Unitat directa de quart de torn
◆ Actuador de subministrament elèctric trifàsic, monofàsic i de corrent continu
◆ Pantalla de visualització de text en diversos idiomes que mostra l'estat i la configuració
◆ Com a mecanisme integrat de gravació de dades de la funció estàndard
◆ Compatible amb l'estàndard IrDATM. Feu l'anàlisi local i remota de l'actuador a través del programari insight PC.
◆ Funcions concises, fàcils de controlar i d’indicació
◆ Control simple de parell i posició, millorant la fiabilitat
◆ Flexibilitat del control i la indicació completa
◆ Especificació opcional del tipus de prova d'aigua i explosió
◆ Rang de sortida de parell directe 600Nm (890 Ibf peus) —2000Nm (1476 Ibf peus)
Espectacle d’actuadors

Dades de rendiment deTIActuador de tipus On-Off
Model | Velocitat giratòria (rpm) | Parell motor (Nm) | Voltatge (V) | Fase (Ph) | Freqüència (Hz) | Potència (kW) | Corrent nominal (A) | Deure | Pes (kg) |
FRYT250 | 1 | 250 | 380 | 3 | 50 | 0.04 | 0.57 | S2 (15 minuts) | 23 |
FRYT500 | 0.5 | 500 | 380 | 3 | 50 | 0.04 | 0.57 | S2 (15 minuts) | 23 |
FRYT1000 | 1 | 1000 | 380 | 3 | 50 | 0.04 | 0.57 | S2 (15 minuts) | 37 |
FRYT2000 | 0.5 | 2000 | 380 | 3 | 50 | 0.04 | 0.57 | S2 (15 minuts) | 37 |
Model | Velocitat giratòria (rpm) | Parell motor (Nm) | Voltatge (V) | Fase (Ph) | Freqüència (Hz) | Potència (kW) | Corrent nominal (A) | Deure | Pes (kg) |
FRYT250 | 1 | 250 | 220 | 1 | 50 | 0.04 | 1.14 | S2 (10 minuts) | 23 |
FRYT500 | 0.5 | 500 | 220 | 1 | 50 | 0.04 | 1.14 | S2 (10 minuts) | 23 |
FRYT1000 | 1 | 1000 | 220 | 1 | 50 | 0.04 | 1.14 | S2 (10 minuts) | 37 |
FRYT2000 | 0.5 | 2000 | 220 | 1 | 50 | 0.04 | 1.14 | S2 (10 minuts) | 37 |
Dades de rendiment de l'actuador de tipus regulat per IT
Model | Velocitat giratòria (rpm) | Parell motor (Nm) | Voltatge (V) | Fase (Ph) | Freqüència (Hz) | Potència (kW) | Corrent nominal (A) | Deure | Pes (kg) |
FRYT250 | 1 | 250 | 380 | 3 | 50 | 0.04 | 0.57 | S4(30%) | 23 |
FRYT500 | 0.5 | 500 | 380 | 3 | 50 | 0.04 | 0.57 | S4(30%) | 23 |
FRYT1000 | 1 | 1000 | 380 | 3 | 50 | 0.04 | 0.57 | S4(30%) | 37 |
FRYT2000 | 0.5 | 2000 | 380 | 3 | 50 | 0.04 | 0.57 | S4(30%) | 37 |
Model | Velocitat giratòria (rpm) | Parell motor (Nm) | Voltatge (V) | Fase (Ph) | Freqüència (Hz) | Potència (kW) | Corrent nominal (A) | Deure | Pes (kg) |
FRYT250 | 1 | 250 | 220 | 1 | 50 | 0.04 | 1.14 | S4(30%) | 23 |
FRYT500 | 0.5 | 500 | 220 | 1 | 50 | 0.04 | 1.14 | S4(30%) | 23 |
FRYT1000 | 1 | 1000 | 220 | 1 | 50 | 0.04 | 1.14 | S4(30%) | 37 |
FRYT2000 | 0.5 | 2000 | 220 | 1 | 50 | 0.04 | 1.14 | S4(30%) | 37 |
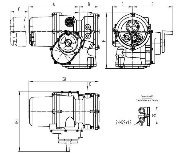
Dimensió de l'actuador FRYT (muntatge directe)

Model | A | B | C | D | E | F | (G) | (H) | (I) |
FRYT1 | 306 | 124 | 160 | 135.5 | 202.5 | 277 | 430 | 338 | 54 |
FRYT2 | 308 | 121.5 | 160 | 123.5 | 245 | 340 | 428.5 | 368.5 | 52 |
Dimensió de l'actuador de TI (Foot-plateMounted)

Model | A1 | A2 | A3 | A4 | C | D1 | D | E | F | F1 | F2 | H1 | H2 | H3 | H4 | H5 | n-Φd1 | 4-Φd2 |
FRYT1 | 240 | 280 | 180 | 220 | 180 | 100 | 100 | 22 | 68.5 | 20 | 17.5 | 382 | 288 | 124 | 306 | 160 | 18 | 17.5 |
FRYT2 | 240 | 280 | 200 | 250 | 180 | 200 | 250 | 30 | 93 | 25 | 55 | 425 | 356 | 136 | 308 | 160 | 2-Φ20 | 22 |
ITFlange DimensionDrawing

Model | D | D1 | N (màxim) | d (màxim) | T | d1 (distribució uniforme) | |
FRYT1 | F05 | Φ50 | Φ38 | 20 | Φ25 | 38 | M6 |
F07 | Φ70 | Φ55 | 30 | Φ35 | 38 | M8 | |
F10 | Φ102 | Φ69 | 30 | Φ42 | 38 | M10 | |
FRYT2 | F12 | Φ125 | Φ98 | 50 | Φ65 | 68 | M12 |
F14 | Φ140 | Φ98 | 50 | Φ65 | 68 | M16 | |
Descripció funcional
Actuadors elèctrics intel·ligents de la sèrie FRY ---- fiabilitat
◆Mecanitzat de precisió de fosa a pressió:
◆Disseny no intrusiu:
◆ Mesura fiable del recorregut de la posició de la vàlvula
◆ Sistema digital de mesura del parell:
◆ Tecnologia límit digital intel·ligent:
◆ Disseny fiable del circuit de control:
◆ Super capacitat anti-interferència:
◆ Disseny prioritari per al funcionament elèctric:
Sèrie d'actuadors elèctrics intel·ligents FRY ---- avançats i intel·ligents
◆ Visualització d'informació rica i interfície de diàleg home-màquina humanitzada:
◆ Funció de detecció i diagnòstic intel·ligent perfecte Perfect
◆ Registre de dades fiable i complet :
◆ Tecnologia de comunicació per control remot d'infrarojos :
◆ Sortida de senyal multi-grup configurable :
◆ Diversos modes de funcionament
◆ Sistema intel·ligent d'alimentació de còpia de seguretat :
Actuadors elèctrics intel·ligents de la sèrie FRY ---- protecció de seguretat intel·ligent
◆ Doble segellat i doble protecció
◆ Correcció automàtica de seqüències de fases :
◆ Protecció inversa instantània
◆ Protecció de bloqueig automàtic de vàlvules
◆ Protecció intel·ligent de seguretat de control
Es pot equipar amb les vàlvules

Etiquetes populars: Amortidor de gas d'actuador de quart de gir, Xina, fabricants, proveïdors, fàbrica, compra, preu, pressupost
